SPLY带法兰空调用油分离器
产品分类:制冷配件
品牌:SIKELAN
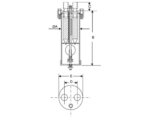
产品简介:油分离器具有从制冷气体混合物中分离油的能力,从而促使制冷空调系统的有效运行。并节约能源,它的功能是从压缩机的制冷剂和油的混合物进入油分离器的进口,这个混合物流过一个过滤器和挡版装置,使油的细粒聚集并跌落到油分离器的底部,制冷剂气体通过出口,过滤器将残余的油粒分离,并在无油的状态下进入冷凝器,制冷剂的油聚集在油分离器的底部,在该处的一个由浮球操作的针形阀开启,让油回到压缩机中,由于油分离器的压力比曲轴箱的压力要高,因此油很快地返回到压缩机中,当油位下降,针形阀将关闭以防止制冷气体返回到压缩机。油分离器系统安装于超市及空调系统的多重压缩机支架、带有长制冷液路的系统、存在内部回油问题的系统、超低温系统和使用HCFC,HFC,及相应润滑剂的系统。
特征:带有钢制回油系统的密封结构(1/4或3/8″螺口)
可靠的浮阀关闭系统,坚固的铜接口,法兰拆卸,方便检修
耐腐蚀喷塑,最大工作压力:3.1Mpa
