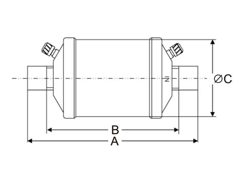
SFX吸气管路用过滤器
产品分类:制冷配件
品牌:SIKELAN
产品简介:附设两个检修阀,为压缩机提供最有效的过滤保护,过滤精度到35微米;
适合温度:-45℃-+65℃;
最大工作压力:4.70Mpa/680PSIG;
防止脏物进入压缩机;
如果过滤器堵塞,溢流阀会开启;
可以采用各种钎焊合金;
防腐蚀能力强;
全流量时压力降小;
系列尺寸齐全;
制冷剂按过滤器上箭头所批示的方向流动时,旁通溢流阀起作用,如果流过元件时产生过大的压力降,则旁通溢流阀稍微开启,以保持足够的气流并使全封闭压缩机马达得到适当的冷却。
当吸气过滤器安装方向与箭头所指的方向相反时,旁通溢流阀不起作用,不管压力降有多大,它都不会开启。这时需接一只检修阀,以便测量经毛滤芯至压缩机吸气辅助阀的压力降。
“T”即表示此型号装有可检测压力降的检修阀,如果吸气过滤器的旁通溢流特征不起作用,就可用此检修阀做压力测量。
